Сайт обновлён 14 января 2026
Москва, Угрешская ул, д. 2, корп. 55
Работаем с 2009 года.
- Поставка, поверка и ремонт измерительных приборов.
- Аттестация лабораторий НК. Производство УЗК ПЭП.
- Скидки торгующим фирмам. Оплата после поставки.
Круглосуточный прием заявок
Generic selectors
Exact matches only
Search in title
Search in content
Search in posts
Search in pages
Filter by Categories
Акции
Новости
Обзоры
Партнеры
0
Главная Товары Прочее лаб.оборудование Дробилка щековая лабораторная ЩД 6

Дробилка щековая лабораторная ЩД 6

Дробилка щековая лабораторная ЩД 6 предназначена для дробления руд, полезных ископаемых, шлаков и иных материалов различной прочности.

Дробилка щековая лабораторная – оборудование лабораторного класса, которое применяется в различных отраслях промышленности, в том числе: горнодобывающей, металлургической, строительной и химической.

Описание устройства

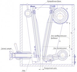
ЩД 6 — щековая дробилка со сложным качанием щеки, разрушение материала в которой происходит за счет деформаций сжатия и сдвига. Крупность дробленого материала определяется зазором между щеками в нижней части (разгрузочной щелью) и физическими свойствами материала.

В состав дробилки входят: загрузочный бункер, корпус, смонтированные в нем основание и шатун, приемная емкость и электродвигатель.

Внутри корпуса расположены две щеки: неподвижная, закрепленная на основании и подвижная — на шатуне. Основание подвешено на оси, а его положение в нижней части определяется  регулировочным устройством. Винт регулировочного устройства упирается в основание через упор со срезным штифтом, предохраняющим дробилку от поломки при попадании недробимого тела.

Крутящий момент от электродвигателя передается через ременную передачу на эксцентриковый вал, на котором смонтирован шатун с подвижной щекой.

Принцип работы 

Материал подается в загрузочный бункер, откуда поступает в рабочее пространство между  щеками. Верхняя поверхность  щек ребристая, что позволяет увеличить удельное давление на частицы дробимого материала в зоне предварительного дробления. Нижние гладкие поверхности щек образуют параллельную зону – зону доизмельчения, в которой обеспечивается получение продукта требуемой крупности.

При вращении эксцентрикового вала подвижная щека перемещается относительно неподвижной, обеспечивая дробление и разгрузку материала — при сближении щек материал измельчается, при отходе подвижной щеки перемещается в дробилке и разгружается.

Продукт дробления собирается во внешнюю емкость, расположенную под зоной разгрузки.

Примеры применения

Уголь, руды, шлаки, бетон, стекло, керамика, ферросплавы, гранит, мрамор, известняк, удобрения.

Достоинства

  • Защита футеровочными бронями из износостойкой стали внутренней поверхности стенок корпуса в зоне дробления;
  • Для дробления пищевого сырья возможна комплектация дробилки загрузочным бункером, разгрузочной емкостью и бронями из нержавеющей стали марки 12Х18Н10Т (аналог DIN 1.4541);
  • Увеличение срока службы щек за счет взаимозаменяемости подвижной и неподвижной щек.
  • Наличие технологического отверстия для продувки в корпусе дробилки.

Технические параметры ЩД 6

Размеры загрузочного окна, мм

60х100

Крупность исходного материала, мм, не более

50

Диапазон регулировки выходной щели, мм

2-20

Производительность, кг/ч, не более

200

Объем приемной емкости, л

2,0

Мощность электродвигателя, кВт

1,1

Напряжение питания, 50 Гц, В

380

Габаритные размеры, мм (длина х ширина х высота/ с опорой)

640х340х600

Масса, кг

130

Материал щек

чугун/марганцовистая сталь

Базовый комплект:

  • Дробилка щековая ЩД 6 в сборе
  • Изготовление тары и упаковка базового комплекта

Рекомендуемый комплект:

  • Базовый комплект;
  • Пульт управления ПУ3-02;
  • Щека (2 шт.);
  • Клин (2 шт.);
  • Броня (2 шт.);
  • Срезной штифт (1 шт.);
  • Совок;
  • Тара и упаковка.

Принадлежности:

ЗИП:

  • Щека (2 шт.)
  • Клин (2 шт.)
  • Броня (2 шт.)
  • Срезной штифт
  • Резиновые амортизаторы с элементами крепления (комплект: 4 шт.)
  • Приёмная емкость ( объем 2,2 л.)

Технологические опции:

  • Совок загрузочный (объем 1.2 л.)
  • Тумба Т 30
  • Блок пылеулавливания
  • Зонт-установка на базе БПУ
  • Приемная емкость (объем 2,2 л.)
  • Пульт управления ПУ3-02

Комплектующие изделия:

  • Подшипник № 2007109 — 2 шт.
  • Подшипник № 1607 — 2 шт.
  • Ремень клиновый А-1180 (2 шт.)
  • Электродвигатель 1,1 кВт, 1 500 об./мин, ~ 380 В

Задать вопрос
Для того, что бы наш специалист связался с Вами, пожалуйста, оставьте Ваши контактные данные
Товар добавлен в корзину
Цена:
Сумма:
Продолжить покупки
Оформить заказ